广东省深圳市灼烁区玉塘街道田寮社区光侨路必威西汉姆联官网首页智造工业园
必威西汉姆联官网首页
成都会鹰诺实业有限公司
惠州市鼎力大举智能科技有限公司
深圳邦普医疗装备系统有限公司

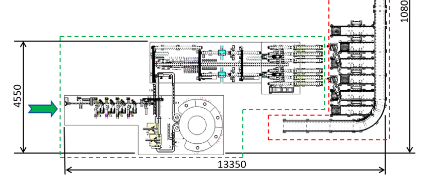
接纳转塔结构实现高速热缩,,,,,,,,节约占地面积;;;;;;;
接纳夹爪方法夹取电芯定位,,,,,,,,兼容钢铝壳电芯。。。。。。。
自动上料
扫码定位
贴绝缘片机构
套膜机构
热缩机构
尺寸丈量机构
重量丈量机构
外观检测机构
分档下料机构
打包物流线机构
| 形状尺寸 | 单线 L*W*H≤ 13500*5400*2500mm |
| 单机产能 | ≥ 70PPM |
| 适用电芯尺寸 | 直径:30-50mm;;;;;;;长度:130-200mm |
请填写以下表格,,,,,,,,我们将尽快与您联系
您的姓名 *
您的公司 *
您的电话 *
您的邮箱 *
您的留言 *
